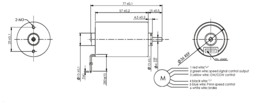
在点钞机设计中,驱动电机直接影响送钞稳定性、卡钞率、噪音以及寿命。很多设备在使用一段时间后出现连张、卡纸、速度不稳等问题,往往和电机选型有关。对于需要稳定运行的点钞设备来说,采用BM3657内转子无刷电机是一种更可靠的方案。
下面从点钞机的工作需求出发,通俗讲清楚为什么这类驱动更合适。
点钞机的工作流程是:
进钞 → 分离 → 输送 → 计数 → 停止 → 反转
整个过程中电机必须具备几个特点:
转速稳定,避免连张
启停响应快,减少堆钞
可长时间连续运行
噪音低,适合柜台环境
扭矩稳定,防止卡钞
传统有刷电机在长时间使用后容易出现:
碳刷磨损
转速波动
噪音增大
发热明显
这也是越来越多点钞机开始采用无刷驱动的原因。
这类36mm系列内转子电机在办公设备中应用非常普遍,能够满足点钞机稳定送纸的要求。
1、转速稳定 点钞更准确
点钞机依靠滚轮匀速输送纸币,如果转速不稳定就会出现
连张
漏张
卡纸
BM3657采用电子换向方式运行,转速波动更小,能够保持均匀送钞节奏,从而提升计数准确性。
2、启停响应快 减少堆钞
点钞机在工作时频繁启停,还需要反转退钞。
内转子结构转动惯量小,启动更快,停止更干脆,有利于:
快速进钞
减少堆叠
防止堵纸
提高工作效率
3、扭矩稳定 输送更顺畅
在点钞过程中,纸币厚度不同,阻力也不同。如果输出不稳定容易出现:
打滑
夹纸
输送不均
BM3657输出扭矩平稳,即使遇到较厚纸币也能稳定输送,减少卡钞情况。
4、低噪音 更适合办公环境
银行柜台或财务室通常对噪音有要求。
无刷结构运行时没有碳刷摩擦,振动更小,整机运行声音更平顺。
这对于:
银行点钞机
商用点钞机
柜台设备
都更友好。
5、支持长时间连续运行
点钞机在高峰时段需要长时间工作,对电机寿命要求较高。
无刷结构减少磨损,温升更低,适合持续运行,有助于提高整机可靠性。


采用该型号驱动可带来以下改善:
送钞更稳定
点钞更准确
卡钞率降低
噪音更小
使用寿命更长
适合应用于:
高速点钞机
银行专用点钞机
带鉴伪点钞机
商用点钞设备
自动清分设备

相比小尺寸驱动,36mm规格具有:
输出更稳定
负载能力更强
运行更平顺
振动更小
同时又不会像更大尺寸那样增加空间压力,因此在点钞机中属于较理想的选择。

对于需要稳定送钞和长时间运行的设备来说,选择BM3657作为驱动方案更有优势。该型号在稳定性、噪音控制以及连续工作能力方面表现更适合点钞机应用,能够提升整机可靠性并降低故障率,是办公设备驱动的常见选型之一。
©2025 - 广东硅基动力有限公司 版权所有 粤ICP备2025421125号-1 XML地图
扫一扫咨询微信客服