

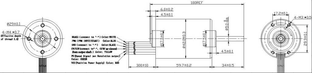
产品直径:42mm 产品长度:60mm 重量:290g 输出功率:10W~60W 使用寿命:10000~50000小时



采用无刷换向结构,无碳刷磨损,使用寿命长达10000-50000小时,故障率低,维护成本少
高精度轴承配合优化磁路设计,运行噪音低,振动小,运行平稳,适配高静音要求场景
支持双转向运行,具备信号反馈功能,无级调速精准,可满足多场景调速控制需求
内置锁定堵转保护功能,有效防止电机过载烧毁,使用安全系数高,适配自动化设备
电磁干扰小,符合电磁兼容标准,可应用于精密电子设备及医疗器械场景
电压适配范围广,12V/24V多规格可选,满足不同设备动力需求
体积小巧(Φ42×60mm),重量仅290g,安装便捷,节省设备内部空间
支持个性化参数定制,可根据客户需求调整转速、扭矩等核心参数
咨询热线:18922508650 邮箱:guijidongli2015@outlook.com
广东硅基动力有限公司是国内领先的直流无刷电机及系统解决方案厂家,2021年正式成立,坐落于东莞大朗,占地5万平方米,拥有8000平方米现代化生产基地。公司拥有15年研发沉淀,年研发投入占比≥8%,专业研发团队中60%拥有10年以上行业经验。我们专注于直流无刷电机及驱动控制器的研发与制造,产品涵盖十二大标准系列内转子(直径20mm-120mm)和十大标准系列外转子(直径30mm-100mm),广泛应用于医疗器械、智能家居、工业设备、商业设备、汽车部件等领域,可提供优质定制化服务和全面技术支持。
©2025 - 广东硅基动力有限公司 版权所有 粤ICP备2025421125号-1 XML地图
扫一扫咨询微信客服